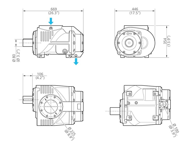
EVO28 Air End
Power range up to 160 kW / 210 HP
Capacity up to 26 m³/min / 920 cfm
Pressure up to 15 barg / 220 psig
Weight approx. 269 kg / 593 lb
Our oil-injected screw air ends create the heart of your compressor system. Used with our wide range of components, you can build the perfect compressor package with ultimate efficiency, low noise, at the highest quality standards.
All information at a glance!
Advantages of our new EVO® technology
- New ROLLING PROFILE® – ultimate efficiency with reduced noise
- Long life cycle due to increased bearing dimensions and wear-free ROLLING PROFILE®
- Wide operating pressure range from 5 to 15 barg
- High manufacturer assembling – "Made in Germany"
- Quality assurance – bench test of every air end before leaving our factory
- Easy application selection with our new ROTORCOMP® SIZING AIR Software
- Highest flexibility for your package design
- Suitable for all types of motors
- Drive options: Belt drive, direct drive, internal gear drive
- Base and face-flange mounting
Ultimate efficiency and reduced noise through
- High volumetric output due to
- Reduced internal leakage
- Thermally optimized oil injection system
- Improved suction port efficiency giving reduced internal losses
- Low power consumption due to
- Optimized torque characteristics and reduced internal friction
- Improved outlet port with lower pressure losses
- Reduced noise and low vibration due to
- Smooth rolling of the rotors with new ROLLING PROFILE®
- Optimized outlet port
For detailed design, please order the installation drawing/3D model.
Technical modifications and errors excepted!
EVO® Range
| Type | Recommended motor power min. – max. | Max. flow rate at 7 barg / 100 psig | Pressure range min. – max. | Net weight approx. | ||||
|---|---|---|---|---|---|---|---|---|
| kW | hp | m³/min | cfm | barg | psig | kg | lbs | |
| EVO2 | 3 – 11 | 5 – 15 | 1.6 | 60 | 5 – 15 | 70 – 220 | 15 | 44 |
| EVO3 | 5.5 – 18.5 | 10 – 25 | 2.8 | 100 | 5 – 15 | 70 – 220 | 21 | 46 |
| EVO6 | 15 – 37 | 20 – 50 | 5.5 | 200 | 5 – 15 | 70 – 220 | 45 | 99 |
| EVO9 | 22 – 55 | 30 – 75 | 8.4 | 300 | 5 – 15 | 70 – 220 | 68 | 150 |
| EVO15 | 45 – 90 | 60 – 125 | 14.4 | 510 | 5 – 15 | 70 – 220 | 126 | 278 |
| EVO28 | 75 – 160 | 100 – 215 | 26.1 | 920 | 5 – 15 | 70 – 220 | 269 | 593 |
| EVO42 | 132 - 250 | 175 - 340 | 42 | 1485 | 5 - 15 | 70 - 220 | 474 | 1045 |
| EVO76 | 160 - 540 | 214 - 725 | 76 | 2678 | 3,5 - 17 | 50 - 250 | 1250 | 2754 |

